Home
About Lugogo Lifestyle
Apartments
Executive Houses
Town Houses
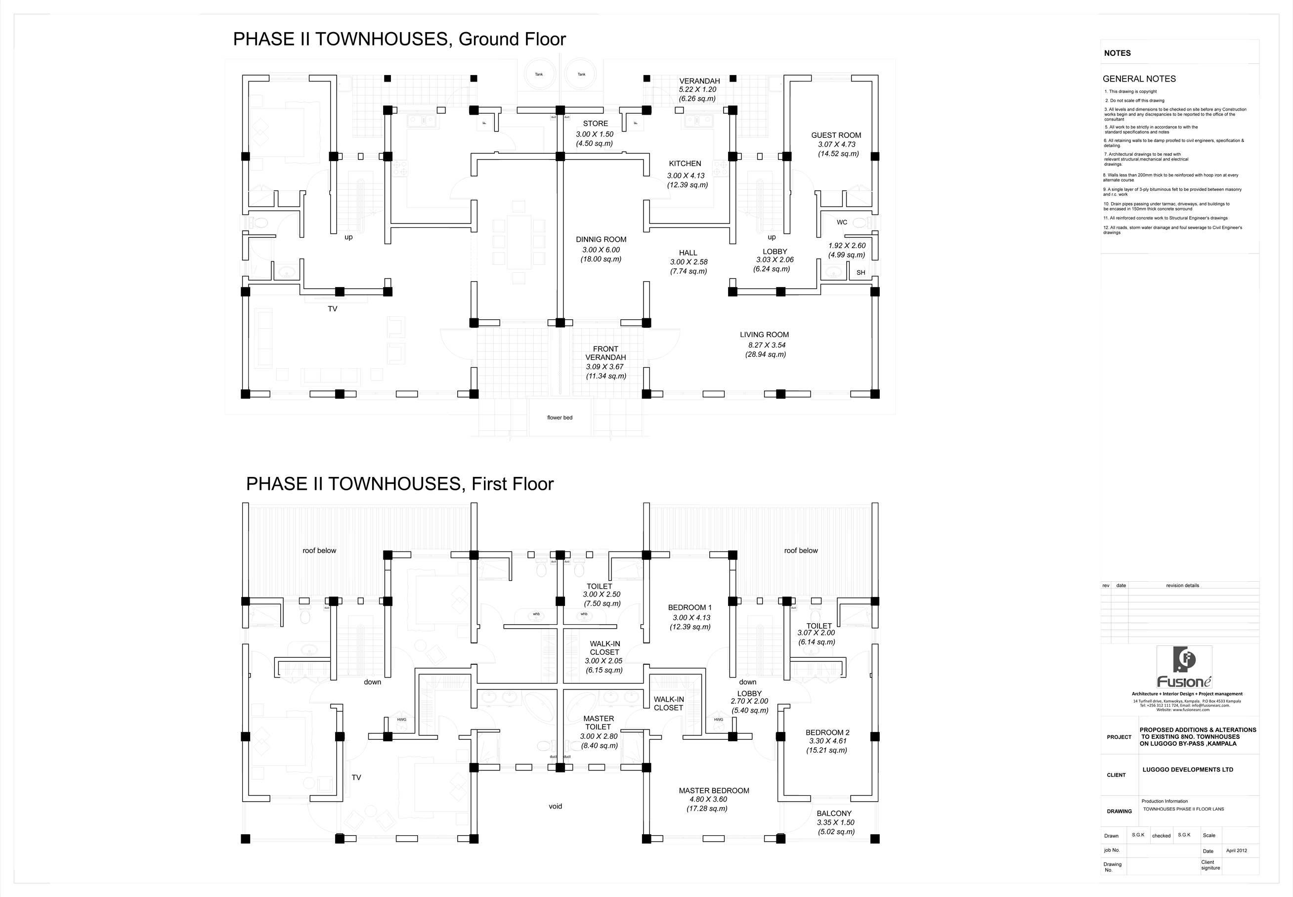
Town Houses Phase II
Club House
Contact Us
Town Houses Phase 2 Renovation